Каталог

01 BВЕРТНОЕ BSP, УПЛОТНЕНИЕ ТИП E

Цены динамичны, наличие — по запросу. Свяжитесь с нами — уточним актуальное!
В наличии
Предзаказ
  • Бренд: 
    CAST
  • D трубы M1 D1: 
    6
  • WP (bar) рабочее давление: 
    250
  • Исполнение трубного соединения: 
    90 град.
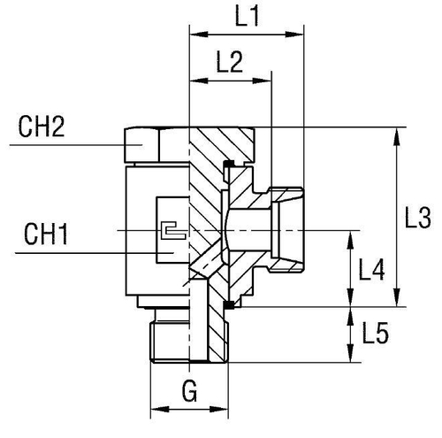
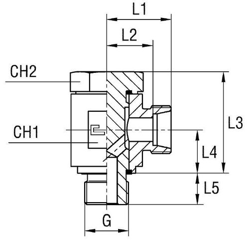
  • Размер CH1: 
    19
  • Размер CH2: 
    19
  • Размер L1 (мм): 
    23
  • Размер L2 (мм): 
    16
  • Размер резьбы 5: 
    1/4
  • Резьба ТС 1: 
    M
  • Резьба ТС 2: 
    BSP
  • Серия: 
    S
  • Стандарт трубных соединений: 
    Соединения 24° DIN 2353
  • Тип трубного соединения: 
    banjo
  • Размер L3: 
    27,5
  • Вид: 
    Y
  • Размер L4: 
    13
  • Размер L5: 
    9
Наличие: В наличии
832 ₽
В наличии
Предзаказ
  • Бренд: 
    CAST
  • D трубы M1 D1: 
    8
  • WP (bar) рабочее давление: 
    250
  • Исполнение трубного соединения: 
    90 град.
  • Размер CH1: 
    19
  • Размер CH2: 
    19
  • Размер L1 (мм): 
    23
  • Размер L2 (мм): 
    16
  • Размер резьбы 5: 
    1/4
  • Резьба ТС 1: 
    M
  • Резьба ТС 2: 
    BSP
  • Серия: 
    S
  • Стандарт трубных соединений: 
    Соединения 24° DIN 2353
  • Тип трубного соединения: 
    banjo
  • Размер L3: 
    27,5
  • Вид: 
    Y
  • Размер L4: 
    13
  • Размер L5: 
    9
Наличие: В наличии
836 ₽
В наличии
Предзаказ
  • Бренд: 
    CAST
  • D трубы M1 D1: 
    10
  • WP (bar) рабочее давление: 
    400
  • Исполнение трубного соединения: 
    90 град.
  • Размер CH1: 
    27
  • Размер CH2: 
    24
  • Размер L1 (мм): 
    26
  • Размер L2 (мм): 
    18,5
  • Размер резьбы 5: 
    3/8
  • Резьба ТС 1: 
    M
  • Резьба ТС 2: 
    BSP
  • Серия: 
    S
  • Стандарт трубных соединений: 
    Соединения 24° DIN 2353
  • Тип трубного соединения: 
    banjo
  • Размер L3: 
    38,5
  • Вид: 
    X
  • Размер L4: 
    16,5
  • Размер CH3: 
    22
  • Размер L5: 
    12
  • Размер L6: 
    35
Наличие: В наличии
1 313 ₽
В наличии
Предзаказ
  • Бренд: 
    CAST
  • D трубы M1 D1: 
    10
  • WP (bar) рабочее давление: 
    250
  • Исполнение трубного соединения: 
    90 град.
  • Размер CH1: 
    22
  • Размер CH2: 
    22
  • Размер L1 (мм): 
    25
  • Размер L2 (мм): 
    17,5
  • Размер резьбы 5: 
    3/8
  • Резьба ТС 1: 
    M
  • Резьба ТС 2: 
    BSP
  • Серия: 
    S
  • Стандарт трубных соединений: 
    Соединения 24° DIN 2353
  • Тип трубного соединения: 
    banjo
  • Размер L3: 
    32,5
  • Вид: 
    Y
  • Размер L4: 
    15
  • Размер L5: 
    9
Наличие: В наличии
1 041 ₽
В наличии
Предзаказ
  • Бренд: 
    CAST
  • D трубы M1 D1: 
    12
  • WP (bar) рабочее давление: 
    400
  • Исполнение трубного соединения: 
    90 град.
  • Размер CH1: 
    27
  • Размер CH2: 
    24
  • Размер L1 (мм): 
    26
  • Размер L2 (мм): 
    18,5
  • Размер резьбы 5: 
    3/8
  • Резьба ТС 1: 
    M
  • Резьба ТС 2: 
    BSP
  • Серия: 
    S
  • Стандарт трубных соединений: 
    Соединения 24° DIN 2353
  • Тип трубного соединения: 
    banjo
  • Размер L3: 
    38,5
  • Вид: 
    X
  • Размер L4: 
    16,5
  • Размер CH3: 
    24
  • Размер L5: 
    12
  • Размер L6: 
    35
Наличие: В наличии
1 317 ₽
В наличии
Предзаказ
  • Бренд: 
    CAST
  • D трубы M1 D1: 
    14
  • WP (bar) рабочее давление: 
    315
  • Исполнение трубного соединения: 
    90 град.
  • Размер CH1: 
    32
  • Размер CH2: 
    30
  • Размер L1 (мм): 
    31
  • Размер L2 (мм): 
    23
  • Размер резьбы 5: 
    1/2
  • Резьба ТС 1: 
    M
  • Резьба ТС 2: 
    BSP
  • Серия: 
    S
  • Стандарт трубных соединений: 
    Соединения 24° DIN 2353
  • Тип трубного соединения: 
    banjo
  • Размер L3: 
    46,5
  • Вид: 
    X
  • Размер L4: 
    21,5
  • Размер CH3: 
    27
  • Размер L5: 
    14
  • Размер L6: 
    41
Наличие: В наличии
1 762 ₽
В наличии
Предзаказ
  • Бренд: 
    CAST
  • D трубы M1 D1: 
    14
  • WP (bar) рабочее давление: 
    250
  • Исполнение трубного соединения: 
    90 град.
  • Размер CH1: 
    30
  • Размер CH2: 
    27
  • Размер L1 (мм): 
    29
  • Размер L2 (мм): 
    21
  • Размер резьбы 5: 
    1/2
  • Резьба ТС 1: 
    M
  • Резьба ТС 2: 
    BSP
  • Серия: 
    S
  • Стандарт трубных соединений: 
    Соединения 24° DIN 2353
  • Тип трубного соединения: 
    banjo
  • Размер L3: 
    45
  • Вид: 
    Y
  • Размер L4: 
    21,5
  • Размер L5: 
    10
Наличие: В наличии
2 500 ₽
В наличии
Предзаказ
  • Бренд: 
    CAST
  • D трубы M1 D1: 
    16
  • WP (bar) рабочее давление: 
    160
  • Исполнение трубного соединения: 
    90 град.
  • Размер CH1: 
    30
  • Размер CH2: 
    27
  • Размер L1 (мм): 
    29
  • Размер L2 (мм): 
    20,5
  • Размер резьбы 5: 
    1/2
  • Резьба ТС 1: 
    M
  • Резьба ТС 2: 
    BSP
  • Серия: 
    S
  • Стандарт трубных соединений: 
    Соединения 24° DIN 2353
  • Тип трубного соединения: 
    banjo
  • Размер L3: 
    45
  • Вид: 
    Y
  • Размер L4: 
    21,5
  • Размер L5: 
    10
Наличие: В наличии
2 500 ₽
В наличии
Предзаказ
  • Бренд: 
    CAST
  • D трубы M1 D1: 
    16
  • WP (bar) рабочее давление: 
    315
  • Исполнение трубного соединения: 
    90 град.
  • Размер CH1: 
    32
  • Размер CH2: 
    30
  • Размер L1 (мм): 
    31
  • Размер L2 (мм): 
    22,5
  • Размер резьбы 5: 
    1/2
  • Резьба ТС 1: 
    M
  • Резьба ТС 2: 
    BSP
  • Серия: 
    S
  • Стандарт трубных соединений: 
    Соединения 24° DIN 2353
  • Тип трубного соединения: 
    banjo
  • Размер L3: 
    46,5
  • Вид: 
    X
  • Размер L4: 
    21,5
  • Размер CH3: 
    30
  • Размер L5: 
    14
  • Размер L6: 
    41
Наличие: В наличии
1 877 ₽
В наличии
Предзаказ
  • Бренд: 
    CAST
  • D трубы M1 D1: 
    20
  • WP (bar) рабочее давление: 
    250
  • Исполнение трубного соединения: 
    90 град.
  • Размер CH1: 
    41
  • Размер CH2: 
    36
  • Размер L1 (мм): 
    36
  • Размер L2 (мм): 
    25,5
  • Размер резьбы 5: 
    3/4
  • Резьба ТС 1: 
    M
  • Резьба ТС 2: 
    BSP
  • Серия: 
    S
  • Стандарт трубных соединений: 
    Соединения 24° DIN 2353
  • Тип трубного соединения: 
    banjo
  • Размер L3: 
    54
  • Вид: 
    X
  • Размер L4: 
    24
  • Размер CH3: 
    36
  • Размер L5: 
    16
  • Размер L6: 
    47
Наличие: В наличии
2 994 ₽
В наличии
Предзаказ
  • Бренд: 
    CAST
  • D трубы M1 D1: 
    20
  • WP (bar) рабочее давление: 
    160
  • Исполнение трубного соединения: 
    90 град.
  • Размер CH1: 
    36
  • Размер CH2: 
    32
  • Размер L1 (мм): 
    35
  • Размер L2 (мм): 
    24,5
  • Размер резьбы 5: 
    3/4
  • Резьба ТС 1: 
    M
  • Резьба ТС 2: 
    BSP
  • Серия: 
    S
  • Стандарт трубных соединений: 
    Соединения 24° DIN 2353
  • Тип трубного соединения: 
    banjo
  • Размер L3: 
    48
  • Вид: 
    Y
  • Размер L4: 
    23
  • Размер L5: 
    13
Наличие: В наличии
3 036 ₽
В наличии
Предзаказ
  • Бренд: 
    CAST
  • D трубы M1 D1: 
    25
  • WP (bar) рабочее давление: 
    250
  • Исполнение трубного соединения: 
    90 град.
  • Размер CH1: 
    50
  • Размер CH2: 
    46
  • Размер L1 (мм): 
    42,5
  • Размер L2 (мм): 
    30,5
  • Размер резьбы 5: 
    1
  • Резьба ТС 1: 
    M
  • Резьба ТС 2: 
    BSP
  • Серия: 
    S
  • Стандарт трубных соединений: 
    Соединения 24° DIN 2353
  • Тип трубного соединения: 
    banjo
  • Размер L3: 
    66,5
  • Вид: 
    X
  • Размер L4: 
    30,5
  • Размер CH3: 
    46
  • Размер L5: 
    18
  • Размер L6: 
    54,5
Наличие: В наличии
4 930 ₽
Обратный звонок
Запрос успешно отправлен!
Имя *
Телефон *
Предзаказ
Предзаказ успешно отправлен!
Имя *
Телефон *
Добавить в корзину
Название товара
100 ₽
1 шт.
Перейти в корзину
Заявка

Я ознакомлен и согласен с условиями оферты и политики конфиденциальности.

Заказ в один клик

Я ознакомлен и согласен с условиями оферты и политики конфиденциальности.