Описание
Характеристики
Отзывы
Описание
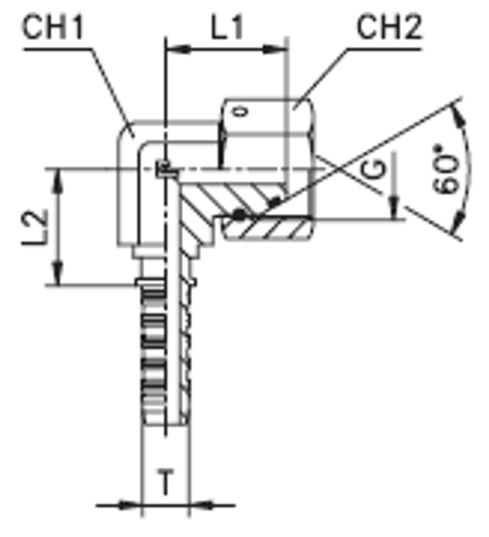
ISO 8434-6 (BS 5200)
Если Вы хотите заказать изделие из нержавеющей стали, замените первые две цифры артикула с 80.... на 81....
Характеристики
| Артикул | Бренд | CH2 | DASH | DN | G | ID (дюйм) | L1 | L2 | WP (bar) | Вид резьбы | Стандарт фитинга/муфты | Тип фитинга | Угол фитинга |
| 803102 | CAST | 19 | -4 | 6 | 1/4 | 1/4 | 28,5 | 18,5 | 400 | Внутренняя | Стандартный | BSP | 90 град. |
Характеристики
Бренд
CAST
WP (bar) рабочее давление
400
Размер G фитинги Каст
1/4
Вид резьбы фитинга для РВД
Внутренняя
Стандарт фитинга/муфты для РВД
Стандартный
Тип фитинга для РВД
BSP
Угол фитинга для РВД
90 град.
ID (дюйм)
1/4
DN (услов внут диам рукава, фитингов)
6
DASH размер продукции (рукава, фитинги, TC)
-4
Размер L1 фитинги Каст
28,5
Размер L2 фитинги Каст
18,5
Размер CH2 фитинги Каст
19
Отзывы
Отзывов еще никто не оставлял
