Описание
Характеристики
Отзывы
Описание
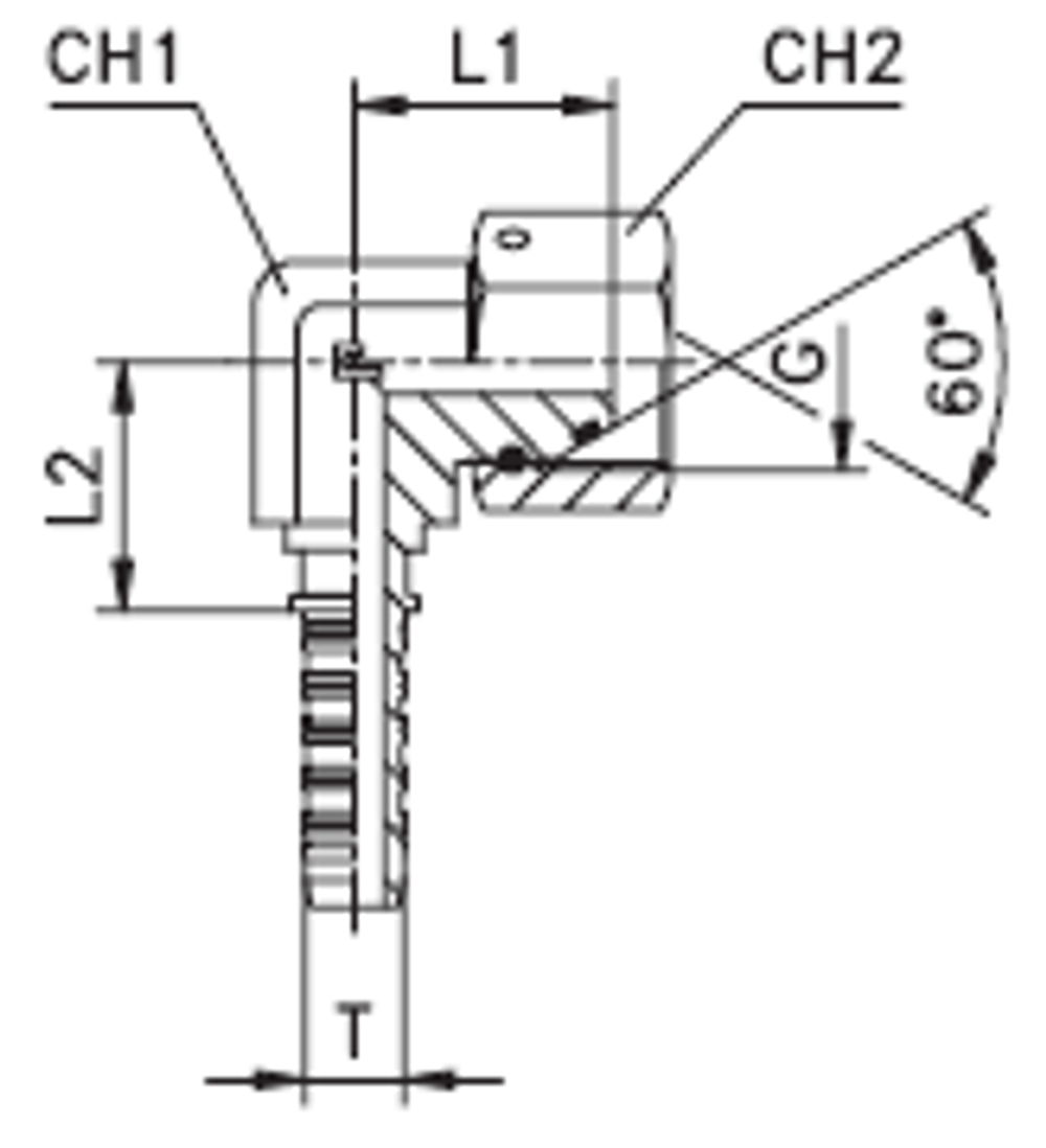
ISO 8434-6 (BS 5200)
Если Вы хотите заказать изделие из нержавеющей стали, замените первые две цифры артикула с 80.... на 81....
Характеристики
| Артикул | Бренд | CH2 | DASH | DN | G | ID (дюйм) | L1 | L2 | WP (bar) | Вид резьбы | Стандарт фитинга/муфты | Тип фитинга | Угол фитинга |
| 803103 | CAST | 22 | -5 | 8 | 5/16 | 5/16 | 32 | 22,5 | 350 | Внутренняя | Стандартный | BSP | 90 град. |
Характеристики
Бренд
CAST
WP (bar) рабочее давление
350
Размер G фитинги Каст
5/16
Вид резьбы фитинга для РВД
Внутренняя
Стандарт фитинга/муфты для РВД
Стандартный
Тип фитинга для РВД
BSP
Угол фитинга для РВД
90 град.
ID (дюйм)
5/16
DN (услов внут диам рукава, фитингов)
8
DASH размер продукции (рукава, фитинги, TC)
-5
Размер L1 фитинги Каст
32
Размер L2 фитинги Каст
22,5
Размер CH2 фитинги Каст
22
Отзывы
Отзывов еще никто не оставлял
