Описание
Характеристики
Отзывы
Описание
Если Вы хотите заказать изделие из нержавеющей стали, замените первые две цифры артикула с 80.... на 81....
Характеристики
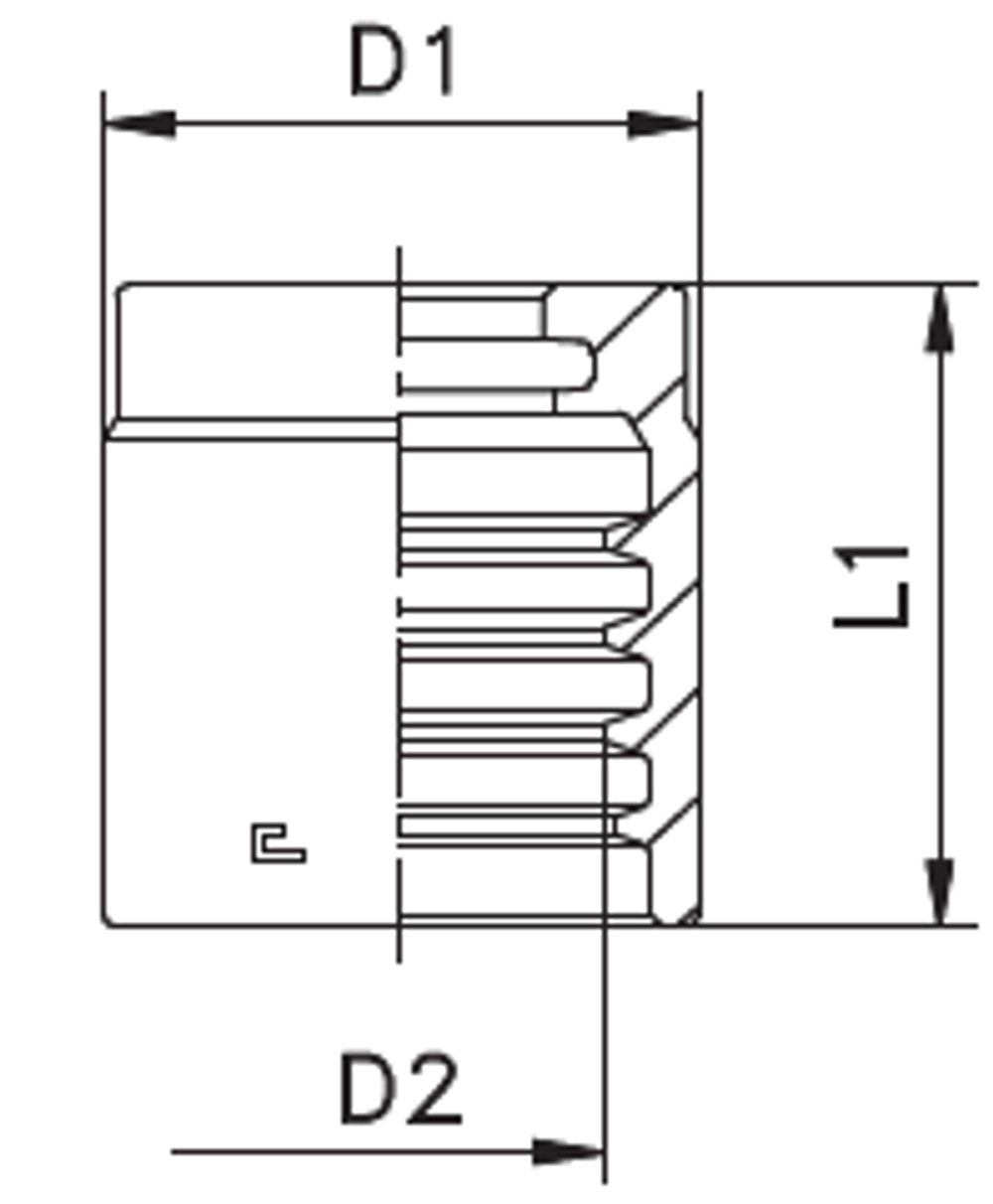
| Артикул | Бренд | D1 | D2 | DN | ID (дюйм) | L1 |
| 800554-COMP | CAST | 24 | 18,2 | 10 | 3/8 | 26 |
Характеристики
Бренд
CAST
ID (дюйм)
3/8
DN (услов внут диам рукава, фитингов)
10
Размер D1 фитинги Каст
24
Размер D2 фитинги Каст
18,2
Размер L1 фитинги Каст
26
Отзывы
Отзывов еще никто не оставлял
