Описание
Характеристики
Отзывы
Описание
Если Вы хотите заказать фитинг из нержавеющей стали AISI 316, замените первые две цифры артикула с 10.... на 11....
Если Вы хотите заказать фитинг из нержавеющей стали AISI 316 с гайкой из нержавеющей стали AISI 304, замените первые две цифры артикула с 10.... на 14....
Если Вы хотите заказать фитинг из нержавеющей стали AISI 316 с гайкой из нержавеющей стали AISI 304, замените первые две цифры артикула с 10.... на 14....
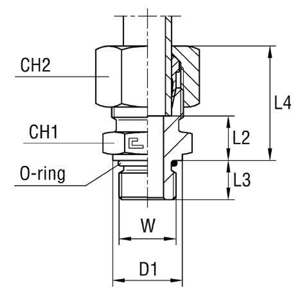
Характеристики
| Артикул | Бренд | CH1 | CH2 | D1 | L1 (мм) | L2 (мм) | L3 | L4 | Ø трубы D1 | WP (bar) | Исполнение трубного соединения | резьба W | Резьба ТС 1 | Резьба ТС 2 | серия | Стандарт ТС | Тип трубного соединения |
| 100921.1 | CAST | 41 | 46 | 40,8 | 34,9 | 22,9 | 15,1 | 47 | 25 | 400 | прямой | 1 5/16-12 | M | UNF | S | Соединения 24° DIN 2353 | ввертной |
Характеристики
Бренд
CAST
D трубы M1 D1
25
WP (bar) рабочее давление
400
Исполнение трубного соединения
прямой
Размер CH1
41
Размер CH2
46
Размер L1 (мм)
34,9
Размер L2 (мм)
22,9
Резьба ТС 1
M
Резьба ТС 2
UNF
Серия
S
Стандарт трубных соединений
Соединения 24° DIN 2353
Тип трубного соединения
ввертной
Размер L3
15,1
Размер D1
40,8
Размер резьбы 6
1 5/16-12
Размер L4
47
Отзывы
Отзывов еще никто не оставлял
