Описание
Характеристики
Отзывы
Описание
Если вы хотите заказать фитинг из нержавеющей стали AISI 316, замените первые две цифры артикула с 10.... на 11....
Если вы хотите заказать фитинг из нержавеющей стали AISI 316 с гайкой из нержавеющей стали AISI 304, замените первые две цифры артикула с 10.... на 14....
Если вы хотите заказать фитинг из нержавеющей стали AISI 316 с гайкой из нержавеющей стали AISI 304, замените первые две цифры артикула с 10.... на 14....
Характеристики
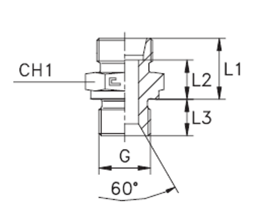
| Артикул | Бренд | CH1 | CH2 | L1 (мм) | L2 (мм) | L3 | L4 | Ø трубы D1 | WP (bar) | Исполнение трубного соединения | резьба G | Резьба ТС 1 | Резьба ТС 2 | серия | Стандарт ТС | Тип трубного соединения |
| 100305.1 | CAST | 19 | 17 | 17 | 10 | 12 | 25 | 8 | 315 | прямой | 1/4 | M | BSP | L | Соединения 24° DIN 2353 | ввертной |
Характеристики
Бренд
CAST
D трубы M1 D1
8
WP (bar) рабочее давление
315
Исполнение трубного соединения
прямой
Размер CH1
19
Размер CH2
17
Размер L1 (мм)
17
Размер L2 (мм)
10
Размер резьбы 5
1/4
Резьба ТС 1
M
Резьба ТС 2
BSP
Серия
L
Стандарт трубных соединений
Соединения 24° DIN 2353
Тип трубного соединения
ввертной
Размер L3
12
Размер L4
25
Отзывы
Отзывов еще никто не оставлял
