Описание
Характеристики
Отзывы
Описание
Если вы хотите заказать фитинг из нержавеющей стали AISI 316, замените первые две цифры артикула с 10.... на 11....
Если вы хотите заказать фитинг из нержавеющей стали AISI 316 с гайкой из нержавеющей стали AISI 304, замените первые две цифры артикула с 10.... на 14....
Если вы хотите заказать фитинг из нержавеющей стали AISI 316 с гайкой из нержавеющей стали AISI 304, замените первые две цифры артикула с 10.... на 14....
Характеристики
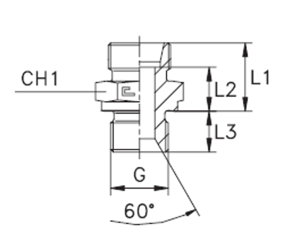
| Артикул | Бренд | CH1 | CH2 | L1 (мм) | L2 (мм) | L3 | L4 | Ø трубы D1 | WP (bar) | Исполнение трубного соединения | резьба G | Резьба ТС 1 | Резьба ТС 2 | серия | Стандарт ТС | Тип трубного соединения |
| 100336.1 | CAST | 24 | 27 | 26,5 | 18,5 | 12 | 36,5 | 14 | 630 | прямой | 3/8 | M | BSP | S | Соединения 24° DIN 2353 | ввертной |
Характеристики
Бренд
CAST
D трубы M1 D1
14
WP (bar) рабочее давление
630
Исполнение трубного соединения
прямой
Размер CH1
24
Размер CH2
27
Размер L1 (мм)
26,5
Размер L2 (мм)
18,5
Размер резьбы 5
3/8
Резьба ТС 1
M
Резьба ТС 2
BSP
Серия
S
Стандарт трубных соединений
Соединения 24° DIN 2353
Тип трубного соединения
ввертной
Размер L3
12
Размер L4
36,5
Отзывы
Отзывов еще никто не оставлял
