Описание
Характеристики
Отзывы
Описание
Если вы хотите заказать фитинг из нержавеющей стали AISI 316, замените первые две цифры артикула с 10.... на 11....
Если вы хотите заказать фитинг из нержавеющей стали AISI 316 с гайкой из нержавеющей стали AISI 304, замените первые две цифры артикула с 10.... на 14....
Если вы хотите заказать фитинг из нержавеющей стали AISI 316 с гайкой из нержавеющей стали AISI 304, замените первые две цифры артикула с 10.... на 14....
Характеристики
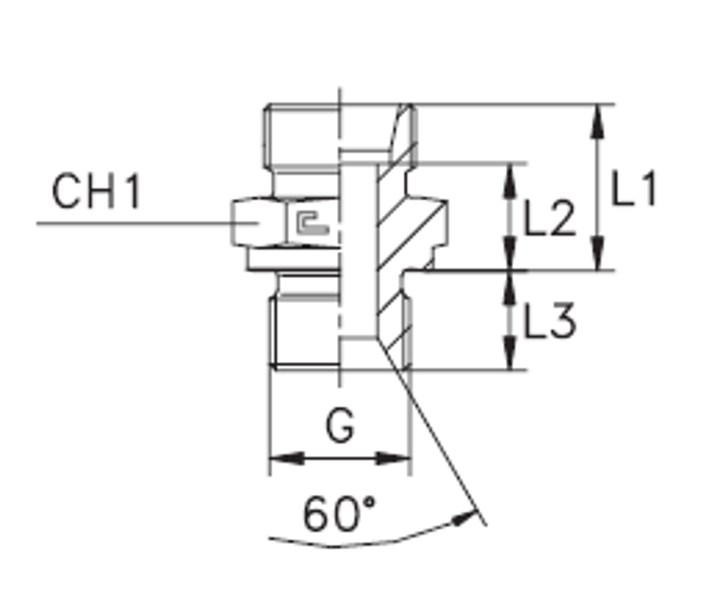
| Артикул | Бренд | CH1 | CH2 | L1 (мм) | L2 (мм) | L3 | L4 | Ø трубы D1 | WP (bar) | Исполнение трубного соединения | резьба G | Резьба ТС 1 | Резьба ТС 2 | серия | Стандарт ТС | Тип трубного соединения |
| 100339.1 | CAST | 41 | 46 | 35 | 23 | 16 | 47 | 25 | 400 | прямой | 3/4 | M | BSP | S | Соединения 24° DIN 2353 | ввертной |
Характеристики
Бренд
CAST
D трубы M1 D1
25
WP (bar) рабочее давление
400
Исполнение трубного соединения
прямой
Размер CH1
41
Размер CH2
46
Размер L1 (мм)
35
Размер L2 (мм)
23
Размер резьбы 5
3/4
Резьба ТС 1
M
Резьба ТС 2
BSP
Серия
S
Стандарт трубных соединений
Соединения 24° DIN 2353
Тип трубного соединения
ввертной
Размер L3
16
Размер L4
47
Отзывы
Отзывов еще никто не оставлял
