Описание
Характеристики
Отзывы
Описание
Если Вы хотите заказать изделие из нержавеющей стали, замените первые две цифры артикула с 60... на 61...
Характеристики
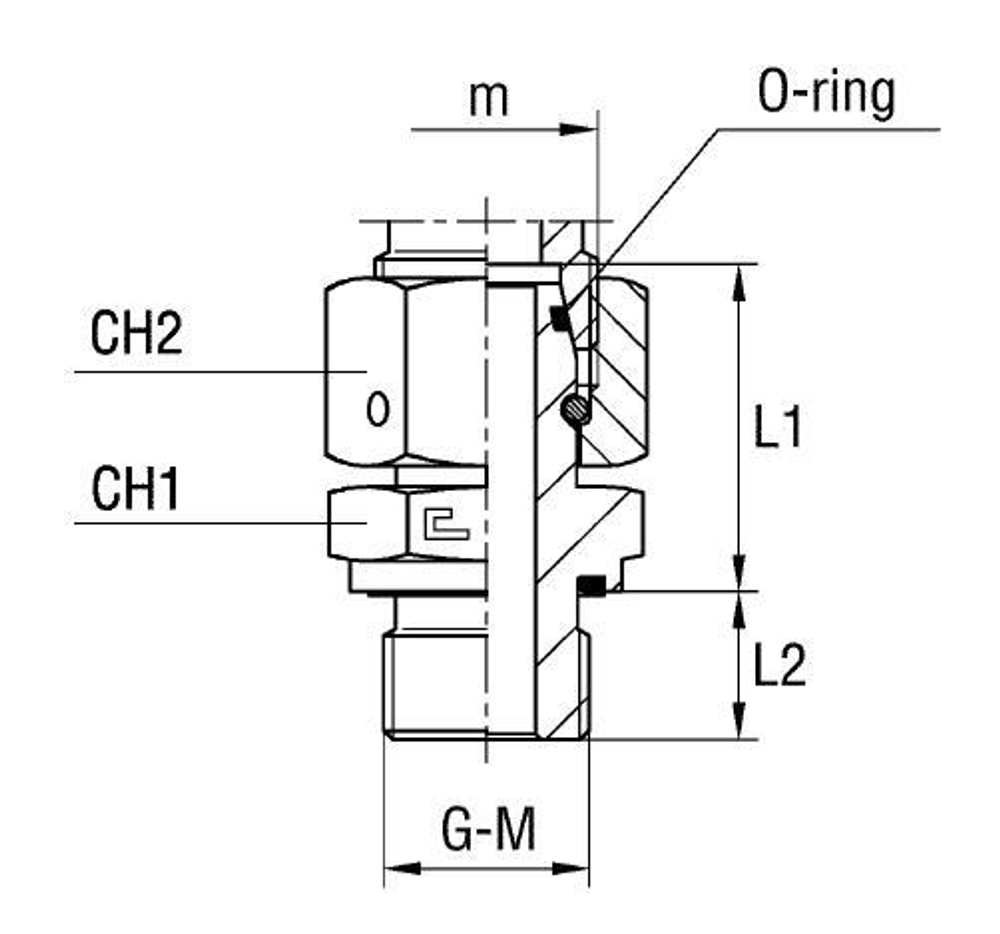
| Артикул | Бренд | CH1 | CH2 | L1 (мм) | L2 (мм) | Ø трубы D1 | WP (bar) | Исполнение трубного соединения | резьба G | резьба M | Резьба ТС 1 | Резьба ТС 2 | серия | Стандарт ТС | Тип трубного соединения |
| 600521 | CAST | 41 | 46 | 48 | 18 | 25 | 420 | прямой | 1 | 36x2 | M | BSP | 420 | Соединения 24° DIN 2353 | ввертной |
Характеристики
Бренд
CAST
D трубы M1 D1
25
WP (bar) рабочее давление
420
Исполнение трубного соединения
прямой
Размер CH1
41
Размер CH2
46
Размер L1 (мм)
48
Размер L2 (мм)
18
Размер резьбы 12
36x2
Размер резьбы 5
1
Резьба ТС 1
M
Резьба ТС 2
BSP
Серия
420
Стандарт трубных соединений
Соединения 24° DIN 2353
Тип трубного соединения
ввертной
Отзывы
Отзывов еще никто не оставлял
