Описание
Характеристики
Отзывы
Описание
Если Вы хотите заказать изделие из нержавеющей стали, замените первые две цифры артикула с 60... на 61...
Характеристики
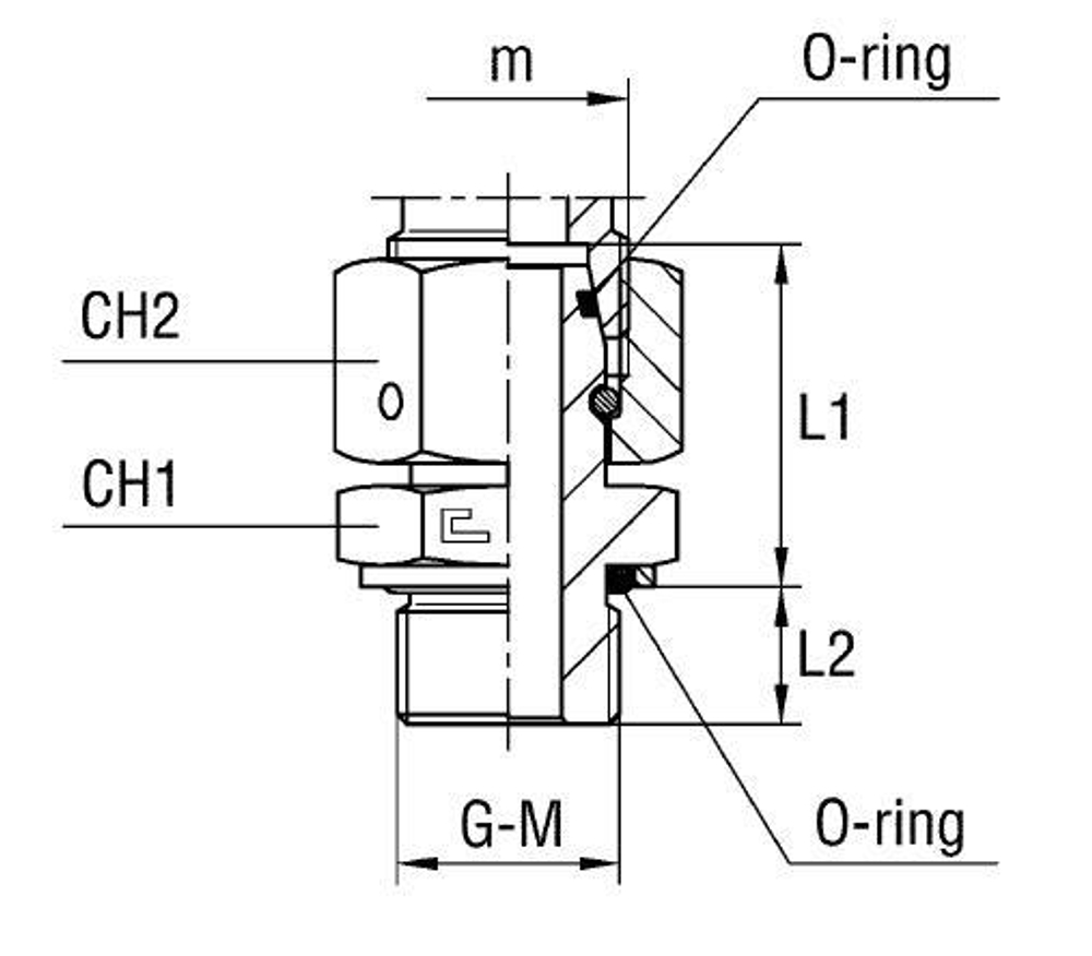
| Артикул | Бренд | CH1 | CH2 | L1 (мм) | L2 (мм) | Ø трубы D1 | WP (bar) | Исполнение трубного соединения | резьба G | резьба m D1 | Резьба ТС 1 | Резьба ТС 2 | серия | Стандарт ТС | Тип трубного соединения |
| 600717 | CAST | 22 | 24 | 36,3 | 10,2 | 12 | 315 | прямой | 3/8 | 20x1.5 | M | BSP | S | Соединения 24° DIN 2353 | ввертной |
Характеристики
Бренд
CAST
D трубы M1 D1
12
WP (bar) рабочее давление
315
Исполнение трубного соединения
прямой
Размер CH1
22
Размер CH2
24
Размер L1 (мм)
36,3
Размер L2 (мм)
10,2
Размер резьбы 5
3/8
Резьба ТС 1
M
Резьба ТС 2
BSP
Серия
S
Стандарт трубных соединений
Соединения 24° DIN 2353
Тип трубного соединения
ввертной
Размер резьбы 1
20x1.5
Отзывы
Отзывов еще никто не оставлял
