Описание
Характеристики
Отзывы
Описание
Если Вы хотите заказать изделие из нержавеющей стали, замените первые две цифры артикула с 60... на 61...
Позиция доступна только по запросу.
Позиция доступна только по запросу.
Характеристики
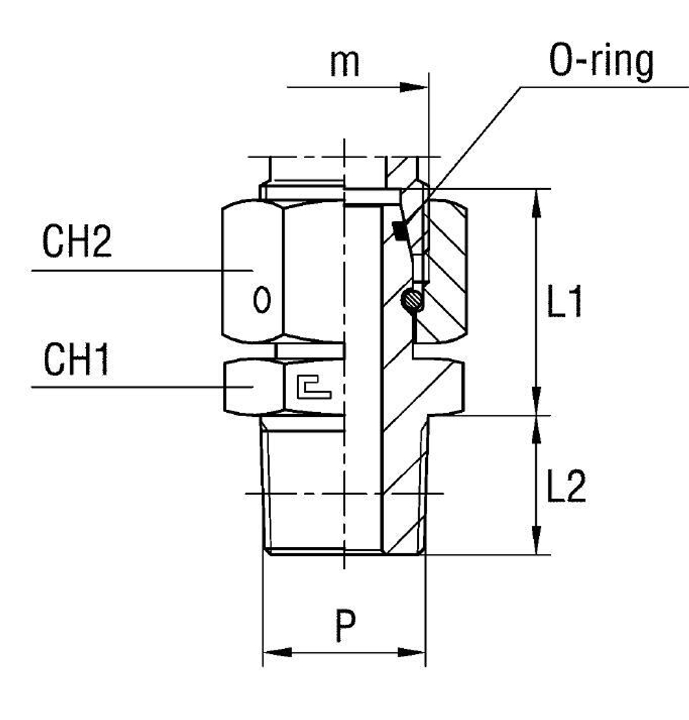
| Артикул | Бренд | CH1 | CH2 | L1 (мм) | L2 (мм) | Ø трубы D1 | WP (bar) | Исполнение трубного соединения | резьба m D1 | резьба P | Резьба ТС 1 | Резьба ТС 2 | серия | Стандарт ТС | Тип трубного соединения |
| 601007 | CAST | 19 | 22 | 31,5 | 15 | 12 | 315 | прямой | 18х1.5 | 3/8 | M | NPT | L | Соединения 24° DIN 2353 | ввертной |
Характеристики
Бренд
CAST
D трубы M1 D1
12
WP (bar) рабочее давление
315
Исполнение трубного соединения
прямой
Размер CH1
19
Размер CH2
22
Размер L1 (мм)
31,5
Размер L2 (мм)
15
Резьба ТС 1
M
Резьба ТС 2
NPT
Серия
L
Стандарт трубных соединений
Соединения 24° DIN 2353
Тип трубного соединения
ввертной
Размер резьбы 1
18х1.5
Размер резьбы 7
3/8
Отзывы
Отзывов еще никто не оставлял
