Описание
Характеристики
Отзывы
Описание
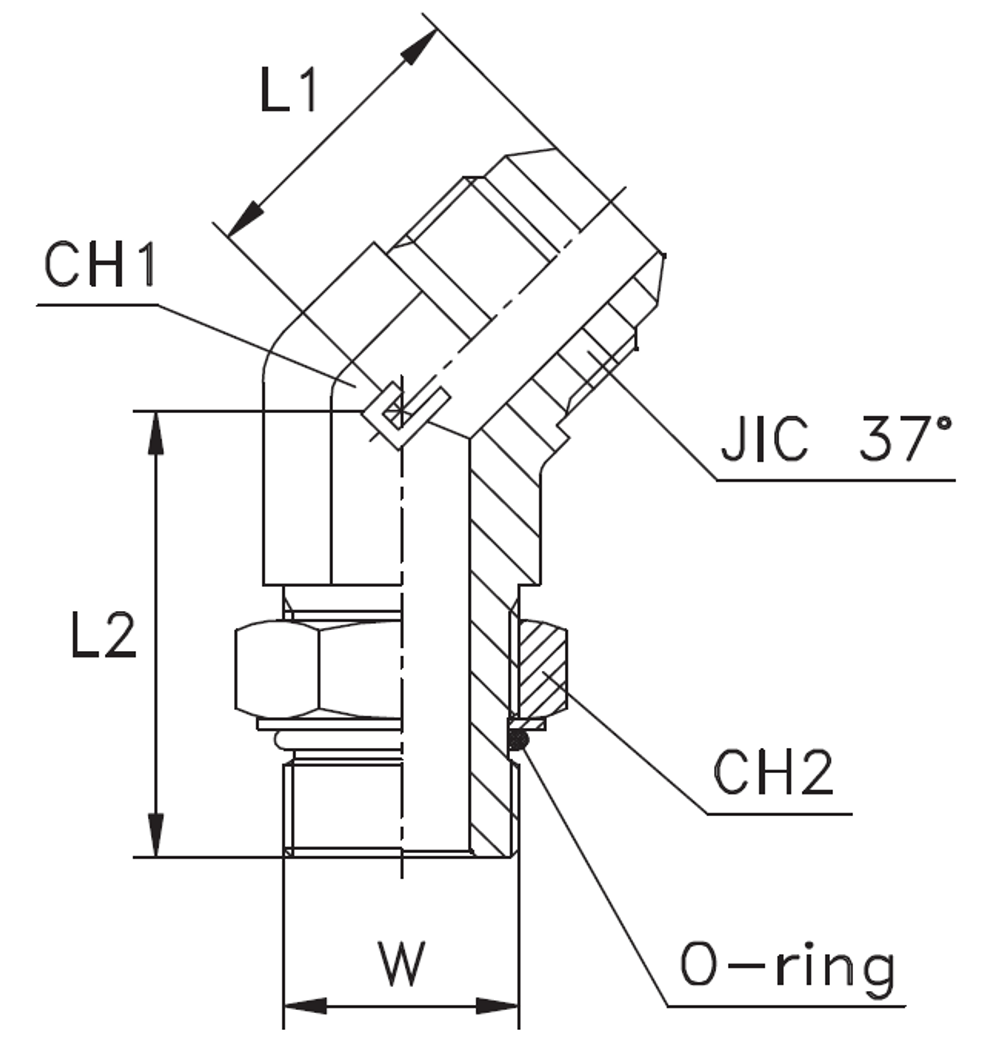
Если Вы хотите заказать изделие из нержавеющей стали, замените первые две цифры артикула с 20.... на 21....
Позиция доступна только по запросу.
Позиция доступна только по запросу.
Характеристики
| Артикул | Бренд | CH1 | CH2 | L1 (мм) | L2 (мм) | Ø трубы D1 | Ø трубы W | WP (bar) | Исполнение трубного соединения | резьба JIC 37° A | резьба W | Резьба ТС 1 | Резьба ТС 2 | серия | Стандарт ТС | Тип трубного соединения | Часть |
| 204906.3 | CAST | 27 | 32 | 33 | 44 | 18-20 | 3/4 | 350 | 45 град. | 11/16-12 | 11/16-12 | UNF | UNF | UNIVERSALE | Соединения 37° SAE J514 | ввертной | Изделия из углеродистой стали |
Характеристики
Бренд
CAST
D трубы M1 D1
18-20
D трубы W
3/4
WP (bar) рабочее давление
350
Исполнение трубного соединения
45 град.
Размер CH1
27
Размер CH2
32
Размер L1 (мм)
33
Размер L2 (мм)
44
Резьба ТС 1
UNF
Резьба ТС 2
UNF
Серия
UNIVERSALE
Стандарт трубных соединений
Соединения 37° SAE J514
Тип трубного соединения
ввертной
Размер резьбы 9
11/16-12
Порядковый номер таблицы
Изделия из углеродистой стали
Размер резьбы 6
11/16-12
Отзывы
Отзывов еще никто не оставлял
