Описание
Характеристики
Отзывы
Описание
Если Вы хотите заказать изделие из нержавеющей стали, замените первые две цифры артикула с 20.... на 21....
Позиция доступна только в плановых заказах.
Позиция доступна только в плановых заказах.
Характеристики
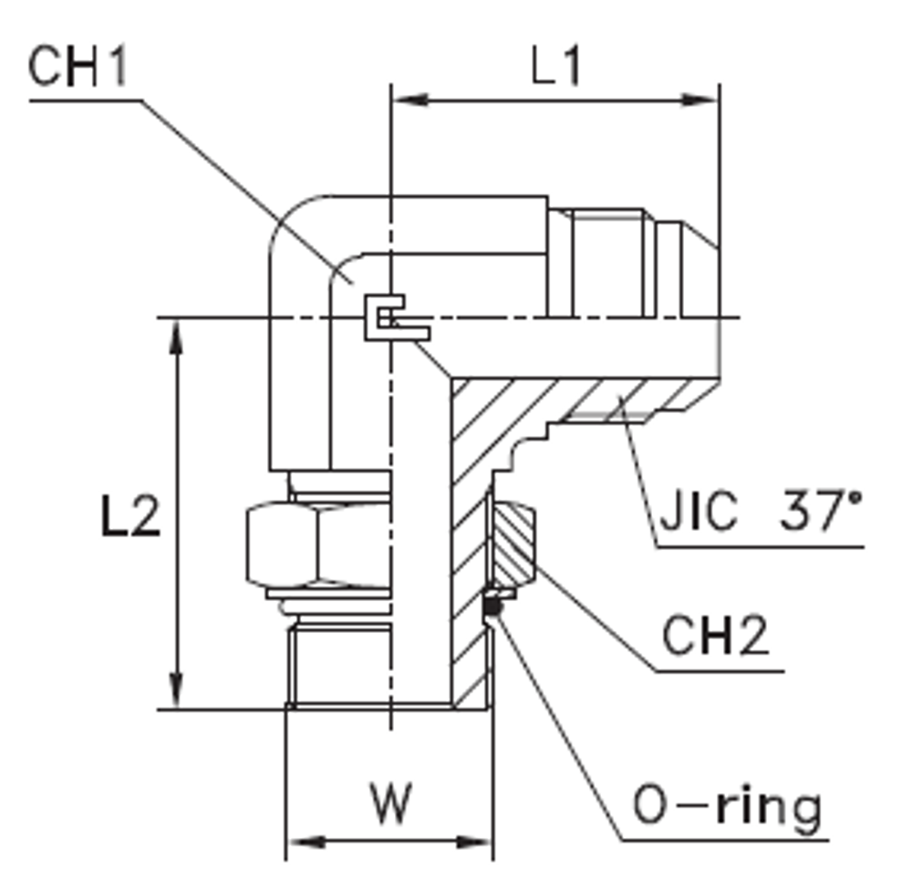
| Артикул | Бренд | CH1 | CH2 | L1 (мм) | L2 (мм) | Ø трубы D1 | Ø трубы W | WP (bar) | Исполнение трубного соединения | резьба JIC 37° A | резьба W | Резьба ТС 1 | Резьба ТС 2 | серия | Стандарт ТС | Тип трубного соединения |
| 204626.3 | CAST | 41 | 50 | 52 | 58 | 25 | 1 | 240 | 90 град. | 15/16-12 | 15/8-12 | UNF | UNF | Универсальная | Соединения 37° SAE J514 | ввертной |
Характеристики
Бренд
CAST
D трубы M1 D1
25
D трубы W
1
WP (bar) рабочее давление
240
Исполнение трубного соединения
90 град.
Размер CH1
41
Размер CH2
50
Размер L1 (мм)
52
Размер L2 (мм)
58
Резьба ТС 1
UNF
Резьба ТС 2
UNF
Серия
Универсальная
Стандарт трубных соединений
Соединения 37° SAE J514
Тип трубного соединения
ввертной
Размер резьбы 9
15/16-12
Размер резьбы 6
15/8-12
Отзывы
Отзывов еще никто не оставлял
