Описание
Характеристики
Отзывы
Описание
Если Вы хотите заказать изделие из нержавеющей стали, замените первые две цифры артикула с 20.... на 21....
Характеристики
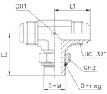
| Артикул | Бренд | CH1 | CH2 | L1 (мм) | L2 (мм) | Ø трубы D1 | Ø трубы W | WP (bar) | Исполнение трубного соединения | резьба JIC 37° A | резьба M | Резьба ТС 1 | Резьба ТС 2 | серия | Стандарт ТС | Тип трубного соединения | Часть |
| 205403.3 | CAST | 14 | 19 | 27,5 | 33 | 10 | 3/8 | 315 | T-образный | 9/16-18 | 14x1,5 | UNF | M | UNIVERSALE | Соединения 37° SAE J514 | ввертной | Изделия из углеродистой стали |
Характеристики
Бренд
CAST
D трубы M1 D1
10
D трубы W
3/8
WP (bar) рабочее давление
315
Исполнение трубного соединения
T-образный
Размер CH1
14
Размер CH2
19
Размер L1 (мм)
27,5
Размер L2 (мм)
33
Размер резьбы 12
14x1,5
Резьба ТС 1
UNF
Резьба ТС 2
M
Серия
UNIVERSALE
Стандарт трубных соединений
Соединения 37° SAE J514
Тип трубного соединения
ввертной
Размер резьбы 9
9/16-18
Порядковый номер таблицы
Изделия из углеродистой стали
Отзывы
Отзывов еще никто не оставлял
