Описание
Характеристики
Отзывы
Описание
Если Вы хотите заказать фитинг из нержавеющей стали AISI 316, замените первые две цифры артикула с 10.... на 11....
Если Вы хотите заказать фитинг из нержавеющей стали AISI 316 с гайкой из нержавеющей стали AISI 304, замените первые две цифры артикула с 10.... на 14....
Позиция доступна только по запросу.
Если Вы хотите заказать фитинг из нержавеющей стали AISI 316 с гайкой из нержавеющей стали AISI 304, замените первые две цифры артикула с 10.... на 14....
Позиция доступна только по запросу.
Характеристики
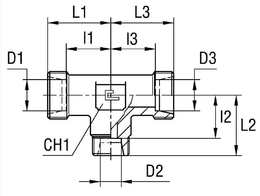
| Артикул | Бренд | CH1 | I1 | I2 | I3 | L1 (мм) | L2 (мм) | L3 | L4 | L5 | L6 | Ø трубы D1 | Ø трубы D2 | Ø трубы D3 | WP (bar) | Исполнение трубного соединения | Резьба ТС 1 | Резьба ТС 2 | серия | Стандарт ТС | Тип трубного соединения |
| 104558.1 | CAST | 36 | 30 | 29,5 | 30 | 42 | 40 | 42 | 54 | 51 | 54 | 25 | 20 | 25 | 420 | T-образный | M | M | S | Соединения 24° DIN 2353 | проходной/адаптер |
Характеристики
Бренд
CAST
D трубы M1 D1
25
WP (bar) рабочее давление
420
Исполнение трубного соединения
T-образный
Размер CH1
36
Размер L1 (мм)
42
Размер L2 (мм)
40
Резьба ТС 1
M
Резьба ТС 2
M
Серия
S
Стандарт трубных соединений
Соединения 24° DIN 2353
Тип трубного соединения
проходной/адаптер
Размер L3
42
Размер L4
54
Размер L5
51
Размер L6
54
D трубы M2 D2
20
D трубы M3 D3
25
Размер I1
30
Размер I2
29,5
Размер I3
30
Отзывы
Отзывов еще никто не оставлял
